軟啟動器與旁路控制是如何切換的?
軟啟動器啟動完后是先把自己的電斷掉,然后再去啟動旁路?還是軟啟動在工作時,把旁路接通,旁路接通后再將軟啟本身導通切除掉?
我們軟啟動器的可控硅的觸發角是從多少度到多少度?
答:軟起起動完成后會通過內部信號觸發旁路接觸器吸合,使主回路電流由晶閘管旁路到旁路接觸器回路。
旁路接觸器可分為內置和外置,其切換方式也有所區別。
以前的老型號多為外置旁路接觸器(如3RW34/3RW22),這樣就需要通過軟起動器的外部旁路觸點來觸發外置旁路接觸器線圈動作,即當起動完成后,旁路觸點便會由常開變為常閉,此時旁路接觸器就會吸合,主回路切至工頻。
目前主流的軟起動器多為內置旁路接觸器(3RW30/3RW40/3RW44),如此當起動完成后軟起動器通過內部信號直接觸發內置旁路接觸器吸合同時關斷晶閘管,客戶無需外部控制。但若需要特殊設計(如一拖多等)情況,則必須通過信號觸點觸發外置旁路接觸器。
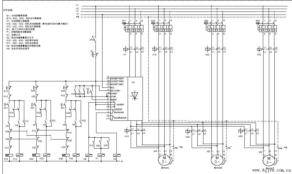
軟啟動器一拖三的原理圖,這里概要地介紹一下其工作原理,對問題會有一D幫助。

軟啟動器原理圖
以第一臺電機為例,軟啟工作過程如下:按下啟動按扭S11,軟啟在沒Alarm報警時K8是得電吸合的,所以K8常開點閉合,K20、K30沒啟動(或已啟動完成)不動作常閉,第一臺電機的啟動接觸器K10(延時斷開接觸器)得電,K10常開點閉合,主接觸器K1也得電閉合,軟啟啟動第一臺電機啟動,電機啟動完成后,K9閉合,K12得自保持電閉合,K10延時到達后斷開,K1也斷開,軟啟動器退出工作,不再供電,第一臺電機由K12供電運行。可以接下來軟啟可以去啟動第二或第三臺電機。這樣軟啟就能做到每次單獨啟動一臺電機而不影響其它電機。
對于一拖一的軟啟動器啟動完電機后,旁中接觸器閉合工作,軟啟動器延時一小段時間后退出供電。當然,如果只是一拖一,只要軟啟動器的功率不小于電機功率,不用旁路接觸器也完全沒問題。
上一篇:晶閘管軟起動器的優點和缺點
下一篇:電機帶點動、啟動混合控制電路