軟啟動器一拖三設計參考 控制原理圖
1. 系統說明
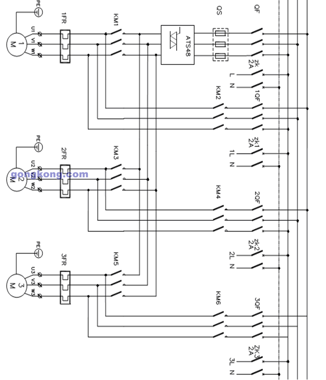
該項目是某某水處理系統,該系統中有九臺55KW電機,選用施耐德ATS48C11Q(55KW)軟啟動器。采用一拖三級聯控制方式,利用西門子S7-300 PLC進行集中控制,從而實現水泵的任意軟啟和軟停。在該系統中所有的選擇、起停和故障信號均進入PLC輸入端由內部程序進行處理和監控,所有接觸器動作均由PLC的繼電器輸出進行控制,軟啟動器的運行信號(RUN),停止信號(STOP)和級聯信號(LIX),也由PLC的繼電器輸出進行控制。要使該軟啟動器實現一拖三的級聯控制,必須把ATS48的輸出繼電器R1設置為“r1i(隔離繼電器)”把邏輯輸入LI3設置為“LIC(級聯控制)”,把CSC參數設置為“ON(級聯功能激活)”控制原理圖中(圖1、圖2)描述了ATS48一拖三任意軟起軟停的原理。
2. 設計說明
電機1啟動流程:
當選擇開關打在自動位置時軟啟動器由上位機控制起停,現場按鈕不起作用。打在手動位置時由現場按鈕操作,上位機不起作用,但能監控所有狀態。當按下啟動按鈕時,經PLC延時后,輸出一個500ms(該時間應大于100ms,小于1000ms)的脈沖信號給ATS48的RUN端,軟啟動器被允許啟動,由于產生運行信號,ATS48內部繼電器R1閉合,于是電機1的主接觸器KM1閉合,軟起動器按照設置的時間啟動,啟動結束后,軟起動內部的繼電器R2閉合,于是電機1的旁路接觸器KM2閉合,此時KM1和KM2同時閉合,在較短時間的并列運行以后(由軟起決定),R2在R1之后失電,KM1斷開,電機繼續由KM2供電,完成整個啟動過程。同理可以任意起動電機2和電機3 。
電機1停止流程:
當選擇開關打在自動位置時軟起動器由上位機控制起停,現場按鈕不起作用。打在手動位置時由現場按鈕操作,上位機不起作用,但能監控所有狀態。當按下停止按鈕時,經PLC延時后,輸出一個500ms(該時間應大于200ms,小于1000ms)的脈沖信號給ATS48的LI3端,軟啟動器級聯控制被激活,軟起內部繼電器R1、R2閉合(R2為脈沖信號,R1保持閉合直到電機完全停下來),于是主接觸器KM1閉合,軟起動與正在運行的電機連接上;LI3脈沖信號的下降沿經PLC延時后,輸出一個500ms(該時間應大于100ms,小于1000ms)的負脈沖信號給軟起的STOP端,軟起的內部繼電器R2斷開,于是旁路接觸器KM2斷開,軟啟動按已設置的停車時間使電機停機,停機完成后,軟起內部繼電器R1斷開,于是主接觸器KM1斷開,完成整個停機過程。同理可以任意停止電機2和電機3 。
圖一:

圖二:

上一篇:軟啟動柜的主要用途及使用方法
下一篇:三相組合式過電壓保護器工作原理