YGQ5系列固態軟起動器
適用范圍
YGQ5系列固態軟起動器是在電機定子回路中串入可控硅,并根據電機功率和負載狀況,通過調整可控硅的導向角,將電機的起動電流控制在設定值上,進而實現電機的恒流軟起動。適用于建材、冶金、礦山、化工、石油、供水、供暖、制藥等各行業400KW以下交流三相異步電動機的降壓起動和節能控制。
性能特點
YGQ5系列固態軟起動器起動電流小、起動過程平滑、起動速度快。
可頻繁連續起動,并可分別起動多臺電機。
YGQ5系列固態軟起動器具備恒流式和可編程斜坡式兩種起動方式。起動參數可根據負載類型任意調整。
全數字自動控制,工作穩定、可靠性高、調整、維修簡便。
對于電機過載,在某5-40S予以保護,對于電源缺相在2S鐘內予以保護。
具有故障自我診斷功能,并顯示第一故障。
每小時可起動8次。
YGQ5系列固態軟起動器具備軟停車功能(特別適合泵類負載在水錘效應下的平穩減速)。
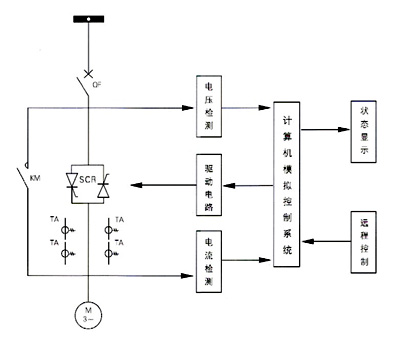
一次方案圖
