國內幾種常用變頻恒壓供水控制系統的比較分析
1.概述
目前,我國的能源工業面臨著經濟增長與環境保護的雙重壓力,有效地利用電能是必須面對的問題。隨著變頻技術的不斷發展,在我國的應用也越來越廣泛,同時取得了良好的效果。采用變頻器和可編程控制器等現代控制設備和技術實現恒定水壓供水,是供水領域技術革新的必然趨勢,然而傳統的水塔供水既不衛生又不經濟,同時對水資源也造成了大量的浪費。
本網頁通過對變頻調速恒壓供水系統的介紹,對比幾種變頻恒壓供水控制系統,有效的解決傳統供水方式的弊端,說明變頻恒壓供水控制系統是具有實用價值的調速系統,同時為已有的供水系統技術的改造提供了切實可行的途徑。合理有效的利用變頻恒壓供水控制系統的功能,可以實現降低成本的同時并保證產品質量。
2.變頻恒壓供水控制系統
供水控制系統的設計主要包括兩方面:一方面是機械結構的設計;另一方面是微電腦控制器和變頻器電氣控制方面的設計。機械結構是控制系統的基礎,是實現控制功能的前提;微電腦控制器對變頻器的控制系統是實現控制功能的核心部分。
2.1基于PLC的變頻供水控制系統
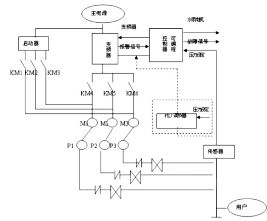
圖1為變頻恒壓供水系統。其中,變頻器的作用是為電機提供可變頻率的電源,這樣可以實現電機的無極調速功能,從而達到管網水壓的連續變化。傳感器的作用是檢測管網水壓,測試的水壓與預期的水壓期望值相比較,并提供滿足要求的水壓。壓力的設定信號和壓力的反饋信號輸入到可編程控制器之后,經過可編程控制器的PID控制程序運算,再輸出一個控制信號到變頻器中。另外一種方法是,將壓力的設定信號和壓力的反饋信號同時輸入到PID回路調節器中,由內置的PID回路調節器在調節器的內部經過計算之后,再輸出一個控制信號到變頻器中,如圖1中虛線所示。
供水設備控制著1—3臺水泵,其中只有一臺是變頻泵。當供水設備供電開始工作時,先啟動的是變頻泵,待管網水壓達到預期的設定值時,變頻器的輸出頻率則穩定在這一數值上。而當用水量增加,水壓降低時,傳感器將該控制信號輸入到可編程控制器或PID回路調節器中,可編程控制器或PID回路調節器則輸出控制信號從而達到增加水量的作用,這樣使得變頻器的輸出頻率上升,同時水泵的轉速提高和水壓上升。
假如用水量徒增的話,達到了變頻器輸出頻率的Z大值,此時管網水壓仍然不能達到預期的設定值,可編程序控制器或PID回路調節器輸出一個控制信號用來啟動一臺工頻泵,在該工作原理上其他泵依次類推工作。反之,當用水量減少,變頻器的頻率達到Z小值時,則輸出控制信號來減少一臺工頻泵的信號,其他泵依次類推。圖1中M1-M3為電機,P1-P3為水泵,KM1-KM6為電機起、停、互相切換的交流接觸器。
由可編程控制器或PID回路調節器輸出的信號,該控制信號控制變頻器的轉速,因此,對于可編程控制器來說,不僅具有模擬量的輸入接口,還具有模擬量的輸出接口。由于同時帶有模擬量輸入接口和輸出接口的可編程控制器的成本很高,從而使得供水設備的成本不得不增加;若采用同時帶有模擬量輸入和數字量輸出的可編程控制器,必須要在輸出端上另接一塊PWM調制板,PWM的作用是將可編程控制器輸出的數字量信號轉換成模擬量。
因此,變頻恒壓供水控制設備中,降低設備成本的投入的關鍵就是解決PID控制信號的產生和輸出。

圖1.變頻恒壓供水系統
基于PLC的變頻供水控制系統的幾種設計方案:
(1)有供水基板的變頻器+水泵機組+壓力傳感器
這種控制系統結構簡單,它將PID調節器和PLC可編程控制器等硬件集成在變頻器供水基板上,通過設置指令代碼實現PLC和PID等電控系統的功能。該結構雖然微化了電路結構和降低了設備的成本,但是在壓力的設定值和壓力的反饋值的顯示上就不是那么方便,無法自動實現不同時段的不同恒壓要求,在調試時,PID調節參數的優化比較困難,而且調節的范圍比較小,同時系統的穩態和動態性能不是很穩定。該結構由于輸出接口的擴展功能缺乏靈活性,數據通信困難,并且限制了帶負載的容量,因此僅適用于要求不高的小容量場合。
(2)通用變頻器+單片機(包括變頻控制、調節器控制)+人機界面+壓力傳感器
這種設計的控制系統,具有控制精度高、控制算法靈活、參數調整方便的優點,同時具有較高的性價比,但是開發的周期長,如果程序一旦固化,修改就比較麻煩,因此該結構的現場調試的靈活性比較差,同時變頻器在運行時,將產生干擾,變頻器的功率越大,產生的干擾越大,因此必須采取相應的抗干擾措施來保證系統的可靠性。該結構的控制系統適用于某一特定領域的小容量的變頻恒壓供水中。
(3)通用變頻器+PLC(包括變頻控制、調節器控制)+人機界面+壓力傳感器
這種控制系統的控制方式靈活方便。具有良好的通信接口,可以很便捷的與其他的系統進行數據通信和交換,集成度高,通用性強;由于PLC產品的系列化和模塊化,根據不同要求的控制系統用戶可以靈活地組成各種規模結構;在硬件設計上,只需確定PLC的硬件配置和I/O的外部接線,當用戶的控制要求發生改變時,只需改變存貯器中的控制程序,同時用戶可以通過PC機進行修改控制程序,因此現場調試很方便。同時由于PLC的抗干擾能力強、可靠性高,因此系統的可靠性大大提高。該系統能適用于各類不同要求的恒壓供水場合,并且與供水機組的容量大小無關。
2.2新型變頻調速供水設備
根據傳統供水控制系統的特點和不足,國內外的不少生產廠家近年來推出了一系列供水設備的產品,如華為的TD2100,SANKEN的SAMCO-I系列,富士公司的G11S/P11S系列等。這些新產品是對變頻器進行了改變,將PID調節器以及簡易可編程控制器的功能集成到變頻器中,從而形成帶有各種應用宏的新型變頻器。由于變頻器內置的PID調節器利用的是優化算法,在水壓的調節和控制方面表現的十分平滑和穩定。同時,為了能夠保證水壓反饋信號值的準確和不失值,可以對該反饋信號進行濾波時間常數的設置,同時還可以對反饋信號進行換算,使系統的調試變得更加簡單、方便。2.3供水專用變頻器
供水專用變頻器,在普通變頻器的基礎上進行改進,將PLC控制器集成到普通變頻器上,供水專用變頻器是集供水管控一體化的系統,內置了供水專用的PID調節器,在此基礎上加上壓力傳感器就可以組成一個供水閉環的控制系統。傳感器將反饋的水壓信號直接輸入到變頻器自帶的PID調節器中,同時該結構中壓力設定可以使用變頻器的鍵盤進行設定,也可以使用電位器以模擬量的形式送入。
結語:
隨著變頻技術的不斷發展,在我國的應用也越來越廣泛,同時取得了良好的效果。供水系統采用變頻供水技術不僅可以改善供水水質,而且自動化程度高和便于操作和控制,更可以達到節約資源的目的。變頻恒壓供水控制系統的使用是供水領域技術的必然趨勢,同時對變頻恒壓供水控制系統的研究有很重要的意義。